Stahlbetonweise
Neubau Wohn- und Geschäftsgebäude
Mehrfamilienhaus
Projektart: Mehrfamilienhaus
Standort: 12103 Berlin, Deutschland
Bauzeit: 12/2021 bis voraussichtlich 06/2024
Dach: Flachdach in Stahlbetonbauweise (PV-Anlage)
Wände:
Mauerwerkswände, Stahlbetonwände,
Stahlbeton als wandartige Träger
Stützen: Stahlbeton
Decke: Stahlbetondecke Filigran-Decken
Balkon: Voll- bzw. Halbfertigteile
Treppe: Fertigteil-Treppenläufe
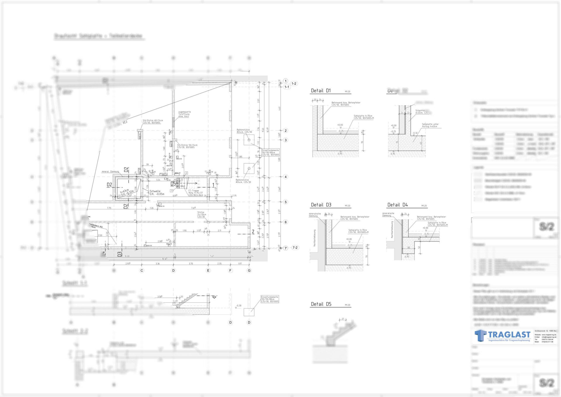
Sohlplatte: Betonsohle
Bemerkungen:
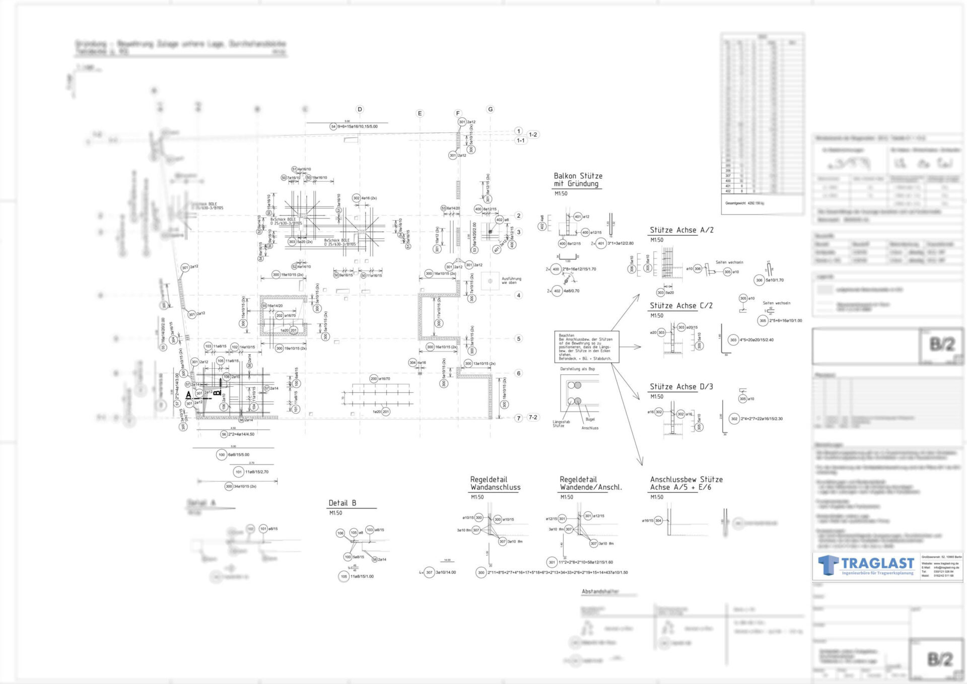
Ein großartiges Neubauprojekt wurde durch gemeinsame und gut organisierte Zusammenarbeit aller Projektbeteiligten realisiert. Die größte statische Herausforderung war die Abfangung der Lasten, die aus den oberen Stockwerken über wandartige Träger entstanden. Das Projekt wurde ebenfalls über die gesamte Rohbauphase überwacht und protokolliert.
Wohnfläche: 1.789 m²
Grundstückgröße: 836 m²
Architekt:
Dipl.-Arch. Holger Riebke
Friedelstr. 41 12047 Berlin
Tragwerksplanung:
TRAGLAST
